有限会社アルアート加工
個人ユーザーの方から・官公庁・会社・企業・学校・出力センター・印刷会社などに
パネル加工関連商品パネル関連材料・規格商品販売加工補助商品販売等で
今日までに国内全県の6,800社(個人を含む)以上のお客様に日々ご利用を頂いています。
 




www を検索
aak.co.jp を検索

 
 
ニールセンフレーム
 ★高級輸入アルミ額縁用アルミフレーム(部材チョップ販売)

■ ニールセンは、平成4年度より当社で加工取扱を始めました
  米国にある世界最大のモールディングメーカーの額縁用アルミフレームです。
■ 下記の断面図・カラー画像より各種類をご覧頂く事が出来ます。
■ 各種在庫も豊富で、1mm単位の長さでカットして1セットより販売させて頂いています。
■ ニールセンフレームでの額縁仕様・額装・パネル加工を伴う加工もお引き受け致します。

ニールセンフレームを使用したアルミ額縁の数量限定で販売中
 弊社の取扱ニールセンフレームの断面図一覧 (下記の画像は原寸の約90%程度です。)
対応カラー
対応カラー
対応カラー
対応カラー
Silver
Frosted Silver
Matte Black
Frosted Walnut
Silver

No.97
  価格表カラー




対応カラー
対応カラー
対応カラー
 
Frosted Silver
Black(塗装)
Flor. Silver
Flor. Grey
Flor. Gold
※在庫限りとなります。
Brushed Aluminum
Matte Black
Bright White


2023ニールセンカタログ
関連部材価格表
フレームカット動画  

2023年度版の総合カタログが
ご覧頂けます。※英語版

ニールセンフレームの
部材のページがご覧頂けます

ニールセンフレームの
カット動画がご覧頂けます


 ニールセンフレームの各サイズの位置関係
■ ニールセンのフレームには色々な形状のフレームがございます。その為に一般用のアルミフレームでご紹介した様な内寸、外寸、
  画面の各サイズのご説明が大変に難しくなります。
■ お手数ですがお客様自身で断面図よりご確認頂きたいと思います。下記の2つの画像を例にしてご説明させて頂きます。

画像はNo.11の断面図です。
図面上には表記されていませんが、ほとんどのフレームの肉厚は1.5mm程度です。
パネル寸法が500mmの場合には、500+1.5+1.5+1(余裕分)=504mmが
外寸サイズとなります。
又、504mmより表面の7mmの左右分14mmを引いた490mmが、額縁正面より見える
画面サイズとなります。
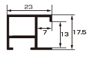
画像はNo.97の断面図です。
このフレームの場合には、No.11の1.5mmの部分が、23−7=16mmとなります。
パネル寸法が500mmの場合には、500+16+16+2(余裕分)=534mmが
外寸サイズとなります。
又、534mmより表面の23mmの左右分46mmを引いた488mmが、額縁正面より見える
画面サイズとなります。



〒466-0855 愛知県名古屋市昭和区川名本町2-1
TEL : 052-751-8581 FAX : 052-761-5535
営業時間 午前9:00〜午後6:00 休日 土・日・祝日

Copyright (C) 2020 Aluart-Kakoh Co.,Ltd. All rights reserved.

   No.11
規 格
内寸サイズ/mm
販売価格1~9セット
販売価格10~19セット
販売価格20セット以上
 8"×10"
203×254
3,680円
3,540円
3,380円
11"×14"
279×356
4,550円
4,370円
4,170円
12"×15"
305×381
5,160円
4,940円
4,740円
14"×17"
356×432
5,440円
5,220円
4,980円
16"×20"
406×508
6,290円
6,030円
5,750円
18"×22"
457×559
6,830円
6,530円
6,230円
20"×24"
508×610
7,400円
7,080円
6,740円
22"×28"
559×711
8,240円
7,880円
7,520円
24"×30"
610×762
8,830円
8,430円
8,030円
■ 対応フレームカラー シルバー・フロステッドシルバー
 ◆ 上記価格表について
■ 上記価格は、ニールセンフレームNo.11の規格サイズ販売価格表となります。※組立費用は含まれていません。
■ 上記内寸サイズとは、裏板又は、セットされるパネルサイズとなります。フレームの外寸サイズは3mmプラスとなります。
■ 上記価格には、基本金具セット(コーナー金具4個、オムニハンガー2個、バンポン2個、スプリング)費用が含まれています。 
■ 発送には別途梱包・送料が必要となります。
■ 上記以外のサイズについては、別途お問い合わせ下さい。
2024年7月7日価格改定



   No.12
規 格
内寸サイズ/mm
販売価格1~9セット
販売価格10~19セット
販売価格20セット以上
 8"×10"
203×254
4,080円
3,900円
3,740円
11"×14"
279×356
5,070円
4,850円
4,650円
12"×15"
305×381
5,720円
5,480円
5,220円
14"×17"
356×432
6,020円
5,760円
5,500円
16"×20"
406×508
6,990円
6,690円
6,370円
18"×22"
457×559
7,610円
7,270円
6,950円
20"×24"
508×610
8,260円
7,900円
7,520円
22"×28"
559×711
9,180円
8,780円
8,360円
24"×30"
610×762
9,830円
9,390円
8,950円
■ 対応フレームカラー マットブラック
 ◆ 上記価格表について
■ 上記価格は、ニールセンフレームNo.12の規格サイズ販売価格表となります。※組立費用は含まれていません。
■ 上記内寸サイズとは、裏板又は、セットされるパネルサイズとなります。フレームの外寸サイズは3mmプラスとなります。
■ 上記価格には、基本金具セット(コーナー金具4個、オムニハンガー2個、バンポン2個、スプリング)費用が含まれています。 
■ 発送には別途梱包・送料が必要となります。
■ 上記以外のサイズについては、別途お問い合わせ下さい。
2024年7月7日価格改定


   No.15
規 格
内寸サイズ/mm
販売価格1~9セット
販売価格10~19セット
販売価格20セット以上
 8"×10"
203×254
4,080円
3,900円
3,740円
11"×14"
279×356
5,070円
4,850円
4,650円
12"×15"
305×381
5,720円
5,480円
5,220円
14"×17"
356×432
6,020円
5,760円
5,500円
16"×20"
406×508
6,990円
6,690円
6,370円
18"×22"
457×559
7,610円
7,270円
6,950円
20"×24"
508×610
8,260円
7,900円
7,520円
22"×28"
559×711
9,180円
8,780円
8,360円
24"×30"
610×762
9,830円
9,390円
8,950円
■ 対応フレームカラー フロステッドウォールナット
 ◆ 上記価格表について
■ 上記価格は、ニールセンフレームNo.15の規格サイズ販売価格表となります。※組立費用は含まれていません。
■ 上記内寸サイズとは、裏板又は、セットされるパネルサイズとなります。フレームの外寸サイズは3mmプラスとなります。
■ 上記価格には、基本金具セット(コーナー金具4個、オムニハンガー2個、バンポン2個、スプリング)費用が含まれています。
■ 発送には別途梱包・送料が必要となります。
■ 上記以外のサイズについては、別途お問い合わせ下さい。
2024年7月7日価格改定


   No.22
規 格
内寸サイズ/mm
販売価格1~9セット
販売価格10~19セット
販売価格20セット以上
 8"×10"
203×254
 5,100円
 4,880円
 4,660円
11"×14"
279×356
 6,350円
 6,070円
 5,790円
12"×15"
305×381
 7,180円
 6,860円
 6,540円
14"×17"
356×432
 7,580円
 7,240円
 6,900円
16"×20"
406×508
 8,810円
 8,410円
 8,010円
18"×22"
457×559
 9,610円
 9,170円
 8,730円
20"×24"
508×610
10,460円
 9,980円
 9,500円
22"×28"
559×711
11,660円
11,120円
10,580円
24"×30"
610×762
12,510円
11,930円
11,350円
■ 対応フレームカラー シルバー
 ◆ 上記価格表について
■ 上記価格は、ニールセンフレームNo.22の規格サイズ販売価格表となります。※組立費用は含まれていません。
■ 上記内寸サイズとは、裏板又は、セットされるパネルサイズとなります。フレームの外寸サイズは3mmプラスとなります。
■ 上記価格には、基本金具セット(コーナー金具4個、オムニハンガー2個、バンポン2個、スプリング)費用が含まれています。
■ 発送には別途梱包・送料が必要となります。
■ 上記以外のサイズについては、別途お問い合わせ下さい。
2024年7月7日価格改定


   No.33
規 格
内寸サイズ/mm
販売価格1~9セット
販売価格10~19セット
販売価格20セット以上
 8"×10"
203×254
 4,380円
 4,200円
 4,020円
11"×14"
279×356
 5,410円
 5,170円
 4,950円
12"×15"
305×381
 6,120円
 5,860円
 5,580円
14"×17"
356×432
 6,460円
 6,180円
 5,900円
16"×20"
406×508
 7,510円
 7,190円
 6,850円
18"×22"
457×559
 8,170円
 7,810円
 7,430円
20"×24"
508×610
 8,880円
 8,480円
 8,080円
22"×28"
559×711
 9,900円
 9,460円
 9,000円
24"×30"
610×762
10,590円
10,110円
 9,610円
■ 対応フレームカラー フロステッドシルバー・ブラック(塗装品)※フロステッドシルバーは在庫限りとなります。
 ◆ 上記価格表について
■ 上記価格は、ニールセンフレームNo.33の規格サイズ販売価格表となります。※組立費用は含まれていません。
■ 上記内寸サイズとは、裏板又は、セットされるパネルサイズとなります。フレームの外寸サイズは3mmプラスとなります。
■ 上記価格には、基本金具セット(コーナー金具4個、オムニハンガー2個、バンポン2個、スプリング)費用が含まれています。 
■ 発送には別途梱包・送料が必要となります。
■ 上記以外のサイズについては、別途お問い合わせ下さい。
2024年7月7日価格改定


   No.97 
規 格
内寸サイズ/mm
販売価格1~9セット
販売価格10~19セット
A 0
841×1189
19,950円
19,010円
A 1
594×841
14,250円
13,590円
B 0
1030×1456
23,510円
22,390円
B 1
728×1030
17,300円
16,480円
900×900
900×900
17,300円
16,500円
900×1200
900×1200
20,370円
19,410円
900×1800
900×1800
25,670円
24,450円
1000×1000
1000×1000
19,060円
18,140円
1000×1500
1000×1500
23,900円
22,740円
1000×2000
1000×2000
28,290円
26,930円
1200×1200
1200×1200
23,440円
22,320円
1200×1800
1200×1800
28,740円
27,360円
1200×2400
1200×2400
34,020円
32,380円
■ 対応フレームカラー フロレンティーヌシルバー・フロレンティーヌグレー・フロレンティーヌゴールド
 ◆ 上記価格表について
■ 上記価格は、ニールセンフレームNo.97の規格サイズ販売価格表となります。※組立費用は含まれていません。
■ 上記内寸サイズとは、裏板又は、セットされるパネルサイズとなります。フレームの外寸サイズは33mmプラスとなります。
■ 上記価格には、基本金具セット(コーナー金具4個、オムニハンガー2個、バンポン2個、スプリング)費用が含まれています。 
■ 発送には別途梱包・送料が必要となります。
■ 上記以外のサイズについては、別途お問い合わせ下さい。
2022年7月3日価格改定


   No.117
規 格
内寸サイズ/mm
販売価格1~9セット
販売価格10~19セット
販売価格20セット以上
 8"×10"
203×254
 5,660円
 5,400円
 5,180円
11"×14"
279×356
 7,050円
 6,730円
 6,430円
12"×15"
305×381
 8,020円
 7,660円
 7,300円
14"×17"
356×432
 8,460円
 8,080円
 7,700円
16"×20"
406×508
 9,870円
 9,430円
 8,970円
18"×22"
457×559
10,750円
11,180円
10,640円
20"×24"
508×610
11,720円
11,180円
10,640円
22"×28"
559×711
13,060円
12,460円
11,840円
24"×30"
610×762
14,010円
13,350円
12,710円
■ 対応フレームカラー マットブラック・ブラッシュドアルミニウム・ブライトホワイト
 ◆ 上記価格表について
■ 上記価格は、ニールセンフレームNo.117の規格サイズ販売価格表となります。※組立費用は含まれていません。
■ 上記内寸サイズとは、裏板又は、セットされるパネルサイズとなります。フレームの外寸サイズは3mmプラスとなります。
■ 上記価格には、基本金具セット(コーナー金具4個、オムニハンガー2個、バンポン2個、スプリング)費用が含まれています。 
■ 発送には別途梱包・送料が必要となります。
■ 上記以外のサイズについては、別途お問い合わせ下さい。
2024年7月7日価格改定